Характеристики
Модель: T62-250-08
Тип полупроводникового элемента
Тиристор с резьбой
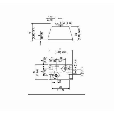
Корпус
TO209AB
Вид упаковки
россыпью
Прямой ток
250А
Прямой ток макс.
395А
Время включения
10мкс
Обратное напряжение макс.
800В
Ток управления
150мА
Монтаж
винтами
Производитель
KUBARA LAMINA
Монтажная резьба
M20
Импульсный ток
6,3кА





